Interior Framing: Sound-Rated Systems
ProSTUD® Drywall Framing System
Steel Drywall Studs with smart edge™ technology
ProSTUD Drywall Framing System (ProSTUD® and ProTRAK®) with Smart Edge™ Technology is the innovative steel drywall stud that sets a new industry benchmark for high performance. Its patented…
UltraBead - Fire, Smoke & Sound
Vinyl L-Bead with Compressible Foam
UltraBEAD, when used in conjunction with UltraTRAK slotted deflection track or Deep Leg deflection tracks, provides joint protection up to ¾” for a 1 or 2 HR concrete deck Head of Wall Joint System at 60…
BlazeFrame® Perimeter L-Bead
VINYL L-Bead with Compressible Foam
Creates an easy attachment that is attained with staples through the bead flange.
ClarkDietrich Sound Clip™ (CDSC)
Sound isolation and dampening clip
Used to fasten gypsum wallboard in various wall and floor to ceiling applications, while simultaneously providing acoustical separation.
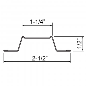
RC Deluxe® Resilient Channel (RCSD)
SINGLE LEG RESILIENT CHANNEL
RC Deluxe is one of the most effective, low-cost methods of improving sound transmission loss through wood and steel frame partitions.
RC-1 ProPlus™ Resilient Channel (RCUR Heavy)
HEAVY-DUTY SINGLE-LEG RESILIENT CHANNEL
Made of 22mil steel to provide a stiffer resilient channel.
RC-1 Pro™ Resilient Channel (RCUR)
SINGLE-LEG RESILIENT CHANNEL
Effective, low-cost methods of improving sound transmission loss through wood and steel frame partitions.
RC-2 ProPlus™ Resilient Channel (RCDE)
HEAVY-DUTY DOUBLE-LEG RESILIENT CHANNEL
Made of 22mil steel to provide a stiffer resilient channel.
RC-2 Pro™ Resilient Channel (RCDN)